DESIGN + DRAFTING
Inspired concepts. Meticulously scaled technical drawings. Obermeier Kraatz Creative transforms ideas into form—design and drafting from concept to completion.

GREAT POINT STUDIOS
GREAT POINT STUDIOS
SETS
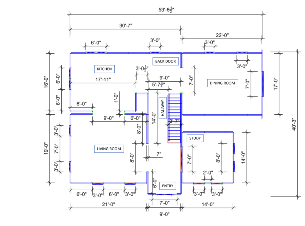
Swap out windows, doors and molding details and arrange the panels in different configurations. These sets are designed as modular structures. They’re currently set up in Great Point Studios main stage and they’re ready to shoot on or configure them how you’d like. There’s also a cafe, a brick and mortar, restaurant and gym set. It’s a whole indoor…indoor village! The main house is highlighted below.







GREAT POINT STUDIOS
BACKLOT
Head outside for a walk and talk down main street. Designed as a modular outdoor structure with a movable main street facade. Each panel can be rearranged to make a different look for each film or television show shot on the set.












Let’s collaborate!
Ready to create something unforgettable?
Reach out and let’s make it happen—your next custom display or prop starts here.
